| 型号 | RES5202G |
| 接口 |
电口数量:1个10/100/1000M自适应以太网接口 光口规格:单模/多模、单纤/双纤可选 光口数量:1个100M或者1个1000M光 光口支持SC/ST/FC可选 |
| 通信距离 |
网口距离:最远100M; 百兆光口:单模通信距离20-120KM可选,默认20KM; 多模1310nm通信2KM; 千兆光口:单模通信距离20-120KM可选,默认20KM; 多模1310nm通信1KM,多模850nm通信500M; |
| 交换特性 |
背板带宽:1Gbps 包转发速率:1Mpps 包缓存区:96KB MAC地址表:支持2K个MAC地址 |
| 电源 |
输入电压: 直流机型:DC9~60V 接口类型:工业凤凰端子5芯5.08间距 保护:支持电源防反接保护/过载保护 最大功耗:<1W 电源指示:POWER,接口灯指示:li |
| 机械结构 |
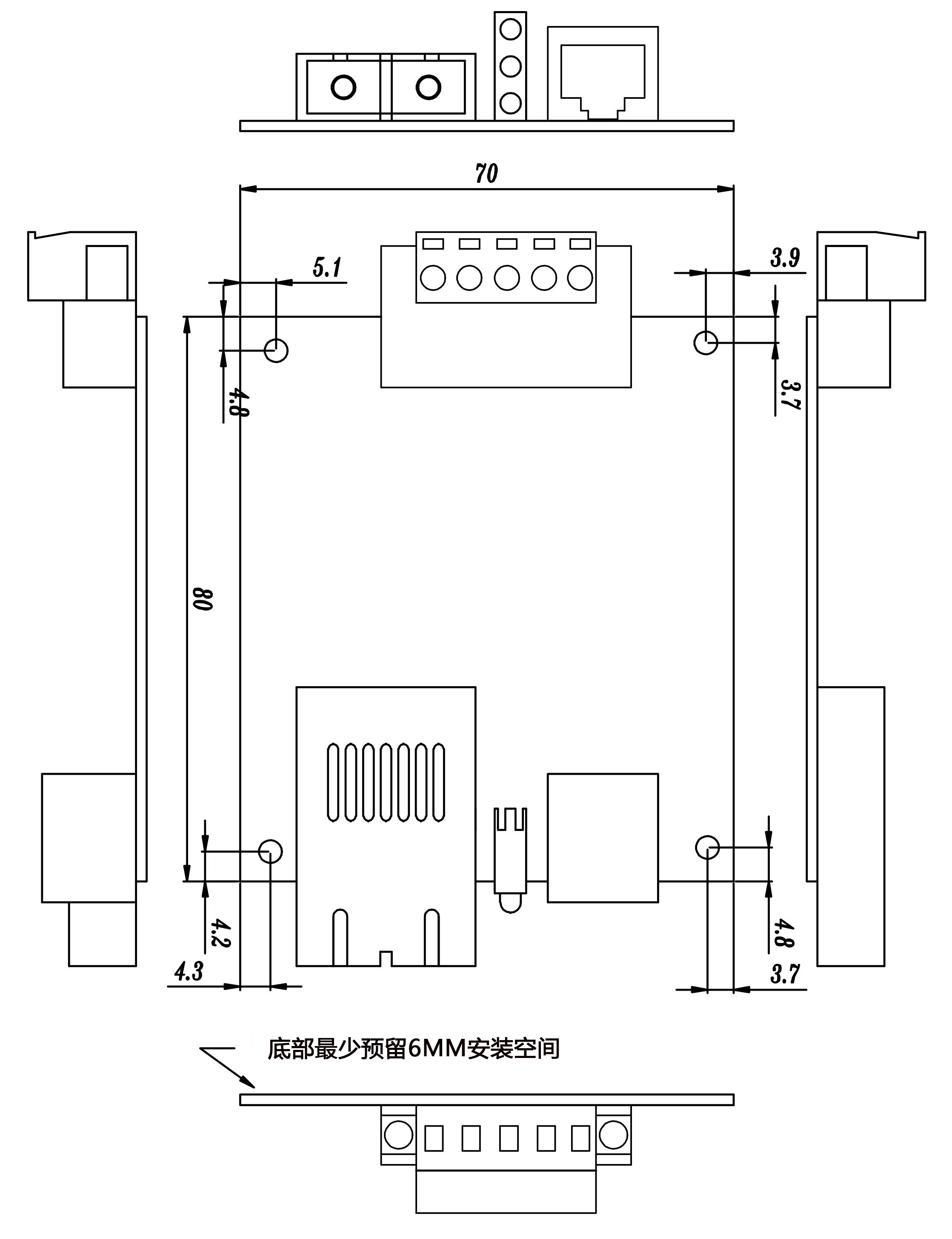
安装方式:嵌入式安装 散热方式:自然冷却,无风扇 外形尺寸:80×70×18(mm)(不含连接器尺寸) |
| 工作环境 |
工作温度:-40℃~+75℃ 存储温度:-55℃~+85℃ 相对湿度:5%~95%无凝露 |
| 质保 |
MTBF:350000小时 质保期:5年 |
| EMC |
EMI: CFR47FCC Part 15B CE EN55032:2015 EN61000-3-2:2014(电源谐波) EN61000-3-3:2013(电源变动) |
|
EMS: IEC61000-4-2(ESD) ±8kV(contact)±15kV(air) IEC61000-4-3(RS) 10V/m(80MHz~2GHz) IEC61000-4-4(EFT) Power Port:±4kV;Data Port:±2kV IEC61000-4-5(Surge) Power Port:±2kV/DM±4kV/CM;Data Port:±2kV IEC61000-4-6(CS) 3V(10kHz~150kHz);10V(150kHz~80MHz) IEC61000-4-16(共模传导) 30V(cont.)300V(1s) |
|
| 符合标准 |
IEEE802.3:CSMA/CD IEEE802.3i:10ba IEEE802.3u:100ba IEEE802.3ab:1000ba IEEE802.3z:1000ba IEEE802.3x:全双工以太网数据链路层流控 机械: IEC60068-2-6(振动) IEC60068-2-27(冲击) IEC60068-2-32(自由跌落) |

| 产品型号 | RES5202G-N-P1P2-LV(10口光电组合系列) |
| 代码定义 | 代码选型 |
| N:代表光口规格 |
>1:代表百兆单模双纤 >2:代表百兆多模双纤 >3:代表百兆单模单纤A端 >4:代表百兆单模单纤B端 >5:代表百兆多模单纤A端 >6:代表百兆多模单纤B端 >7:代表千兆单模双纤 >8:代表千兆多模双纤(1310NM) >9:代表千兆多模双纤(850NM) >10:代表千兆单模单纤A端 >11:代表千兆单模单纤B端 |
|
P1:代表光纤接口 P2代表光纤通信距离 |
>C:光纤接口为SC方口 >T:光纤接口为ST卡口 >F:光纤接口为FC螺纹口 |
|
>5:通信距离为500M ● >01:通信距离为1KM ▲ >02:通信距离为2KM ▼ >20:通信距离为20KM >40:通信距离为40KM >60:通信距离为60KM >80:通信距离为80KM ●:只适用于千兆多模850nm ▲:只适用于千兆多模1310nm ▼:只适用于百兆多模 |
|
| LV | D1:代表供电电源为DC9-60V |
全国服务热线:021-64143505
公司传真:021-64143502
工作时间:08:30-17:30(节假日不上班)
客服邮箱:rogerkang@rogerkang.cn
公司地址:上海市闵行区竹园路518号3楼